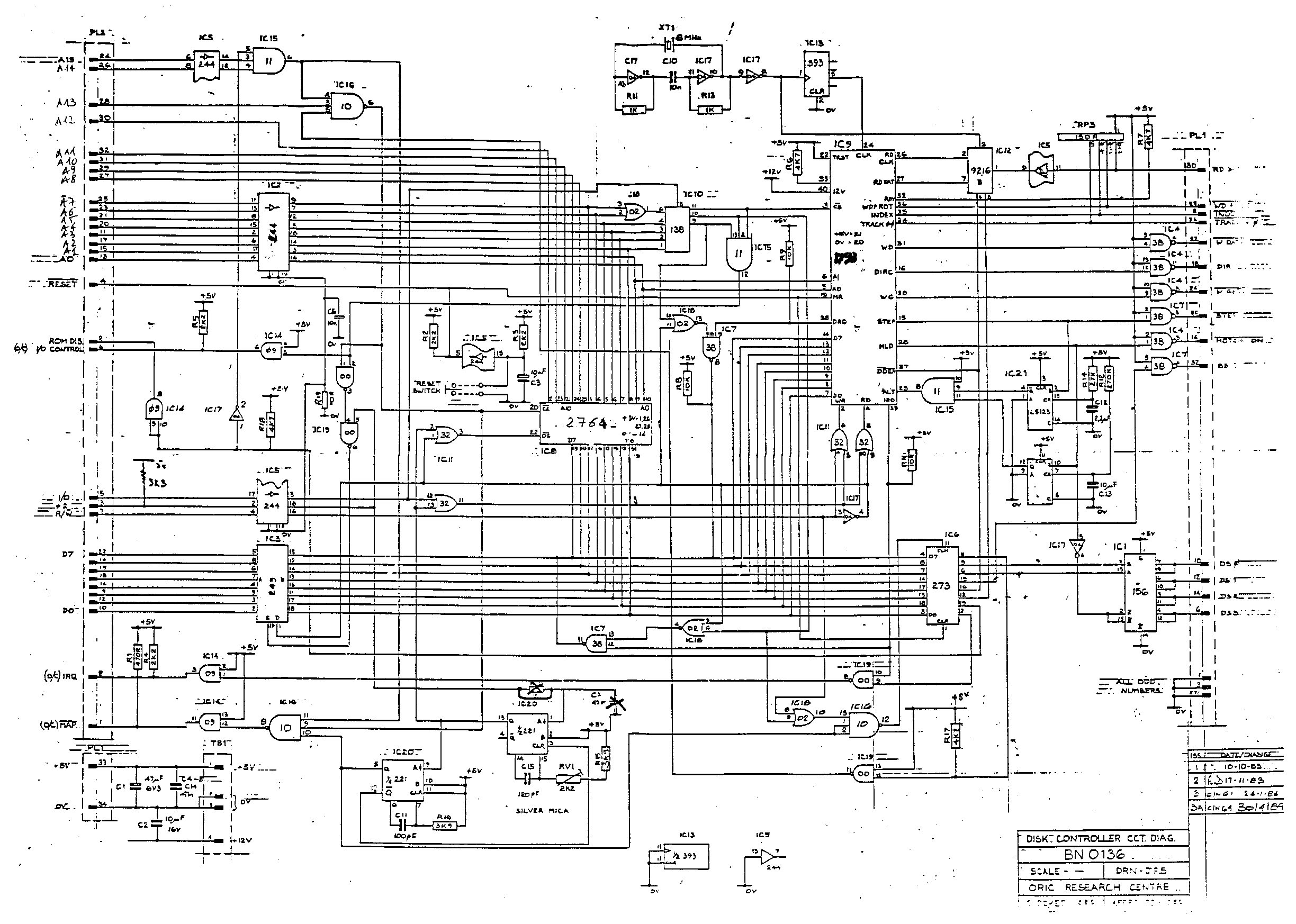
The Bestel Oric Floppy Disk Controller (FDC) is a double sided printed circuit board (PCB) with a component side and a soldering side based on the Oric Microdisc BN O136 diagram and the Oric Microdisc MT O128 rev. C controller. (NOTE: The revision C controller and the BN O136 diagram do not match up which accounts for the discrepancies reported below.)
When building this FDC, you must be aware of the following:
The Bestel FDC requires a bus amplifier as described in CEO-MAG of June 2002 page 16-18. Without a bus amplifier, the physical size of the Bestel FDC seems to cause the loss of some signals from the Oric even with an amplified Phi2 clock signal.
To alleviate noise problems, keep the ribbon cables under 30 cm for each connection and consider wrapping them in aluminum foil. Also, you should ground the Bestel FDC to the metal housing.
With everything connected but without the ICs mounted, the Oric should boot as usual. With the ICs mounted, the Oric should show one of the following boot messages:
Boot message | Status |
---|---|
"Insert system disc" | All is well. Insert system disk and enjoy your Oric |
"No operating system on disc" | RV1 resistance is too low. Adjust and press reset button |
"RV1 adjustment required" | RV1 resistance is too high. Adjust and press reset button |
If you cannot reach a suitable adjustment, try monitoring the Phi2 clock signal and the output of the two monostable multivibrators on TTL 221. The output of the first multivibrator (pin 13) is high as soon as Phi2 drops back to low. RV1, associated with R15, is used to adjust the duration of this high state. As soon as this state drops, the output of the second multivibrator switches to a high state, the duration of which is determined by R16. The output of the second multivibrator must never drop after the next clock signal has also dropped. Change the values of R15 and R16 to reach the proper timings.
Resistor | Microdisc diagram theoretical values | Bestel FDC known good values |
---|---|---|
R15 | 3k9 | 1k |
R16 | 3k9 | 3k3 |
See the component layout for reference.
Integrated circuits (TTL xxx = 74HCTxxx) | |
---|---|
IC1 | TTL 156 |
IC2, IC5 | TTL 244 |
IC3 | TTL 245 |
IC4, IC7 | TTL 38 |
IC6 | TTL 273 |
IC8 | 27C64 EPROM containing the microdis.rom code |
IC9 | Western Digital FD1793 FDC floppy disk controller |
IC10 | TTL 138 |
IC11 | TTL 32 |
IC12 | FDC9216B floppy disk data separator |
IC13 | TTL 393 |
IC14 | TTL 09 |
IC15 | TTL 11 |
IC16 | TTL 10 |
IC17 | TTL 04 |
IC18 | TTL 02 |
IC19 | TTL 00 |
IC20 | TTL 221 |
IC21 | TTL 123 |
Resistors | |
---|---|
R1 | 470 ohm |
R2 to R5 | 2k2 |
R6, R7, R17, R18 | 4k7 |
R8–R10 | 10k |
R11, R13 | 1k |
R12 | 270k |
R14 | 27k |
R15* | 1k |
R16* | 3k3 |
R19* | 10 ohm |
RP3 | 150 ohm × 4 |
RV1 | 2k2 |
Quartz | |
---|---|
XT 1 | 8 MHz |
Capacitors | |
---|---|
C1 | 47 uf |
C2, C3, C13 | 10 uf |
C4–C9, C14 | 47 nf |
C10, C16* | 10 nf |
C11 | 100 pf |
C12 | 2.2 uf |
C15 | 120 pf ±1% |
*) See details in the text.
Other components